一、氧含量傳感器技術參數
氧含量傳感器又稱含氧量傳感器,氧氣電化學傳感器,氧含量傳感器是一種用于檢測環境中氧氣濃度的設備,利用氧氣在工作電極上發生還原反應,產生電流,電流大小與氧氣濃度成正比,從而實現對氧氣濃度的精確測量,可用于化工、冶金、環保等工業領域,氧含量傳感器被用于監測生產過程中的氧氣濃度,以確保生產安全和產品質量
型號 | 測量參數 | 測量范圍 | 精度 | 分辨率 | 單位 | 工作溫度 | 工作濕度 |
QT1 | 一氧化碳 | 0-1000PPM | ±2PPM | 1PPM | PPM | -20℃-+50℃ | 10-95%RH無冷凝 |
QT1S | 0-20PPM | ≤±5% | 0.01PPM | PPM | -20℃-+50℃ | 10-95%RH無冷凝 | |
QT2 | 二氧化硫 | 0-20PPM | ±1PPM | 0.1PPM | PPM | -20℃-+50℃ | 10-95%RH無冷凝 |
QT2S | 0-1PPM | ≤±5% | 0.001ppm | PPM | -20℃-+50℃ | 10-95%RH無冷凝 | |
QT3 | 二氧化氮 | 0-20PPM | ±1PPM | 0.1PPM | PPM | -20℃-+50℃ | 10-95%RH無冷凝 |
QT3S | 0-1PPM | ≤±5% | 0.001ppm | PPM | -20℃-+50℃ | 10-95%RH無冷凝 | |
QT4 | 臭氧 | 0-20PPM | ±1PPM | 0.1PPM | PPM | -20℃-+50℃ | 10-95%RH無冷凝 |
QT4S | 0-1PPM | ≤±5% | 0.001ppm | PPM | -20℃-+50℃ | 10-95%RH無冷凝 | |
QT5 | 氧含量 | 0~30%VOL | ±3%FS | 0.1%VOL | VOL | -20℃-+50℃ | 5-95%RH 無冷凝 |
QT6 | 負氧離子 | 0~10萬 個/cm3 | ±10% | 10個/cm3 | 個/cm3 | +10℃-+70℃ | 10-70%RH無冷凝 |
QT7 | 硫化氫 | 0-100PPM | ±2PPM | 1PPM | PPM | -20℃-+50℃ | 10-95%RH無冷凝 |
QT8 | 甲烷 | 0-100%LEL | ≤±3% | 1%LEL | LEL | -20℃-+50℃ | 10-95%RH無冷凝 |
QT9 | TVOC | 0-100PPM | 55±15 nA/ppm | 1PPM | PPM | -20℃-+50℃ | 10-95%RH無冷凝 |
QT10 | 氨氣 | 0-100PPM | ±4PPM | 1PPM | PPM | -20℃-+50℃ | 10-95%RH無冷凝 |
QT11 | 一氧化氮 | 0-250PPM | -2~10PPM | 1PPM | PPM | -20℃-+50℃ | 10-95%RH無冷凝 |
QT12 | 甲醛 | 0-10PPM | <1PPM | 0.1PPM | PPM | -20℃-+50℃ | 10-95%RH無冷凝 |
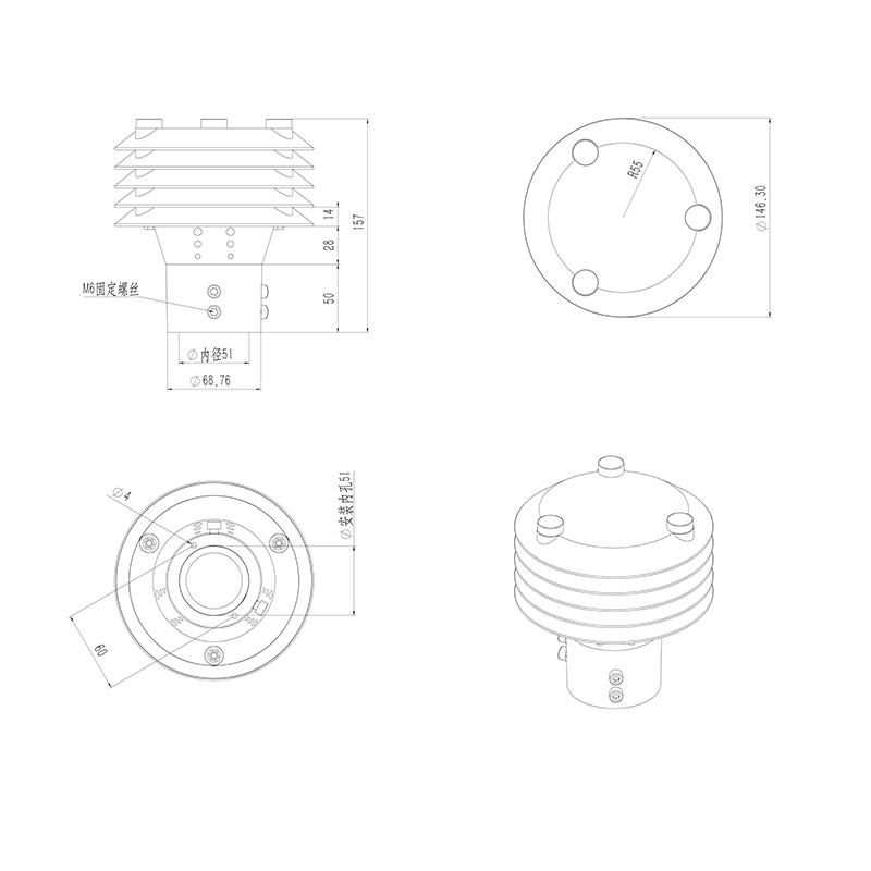
二、氧含量傳感器產品尺寸圖



魯公網安備37079402370804